The wee Tiger Cub engine sure is cute: indeed after getting around the burly 650 Bonnie lump this is a thing of delicate precision. A pocket watch rather than a grandfather clock. I’m looking forward to exploring the guts of its inner workings: the single piston and supporting parts; an incorporated gearbox with four geared meshing and the tac-tic of the rocker arms as they open and close both inlet and exhaust valves. Var nigh simple engineering perfection.
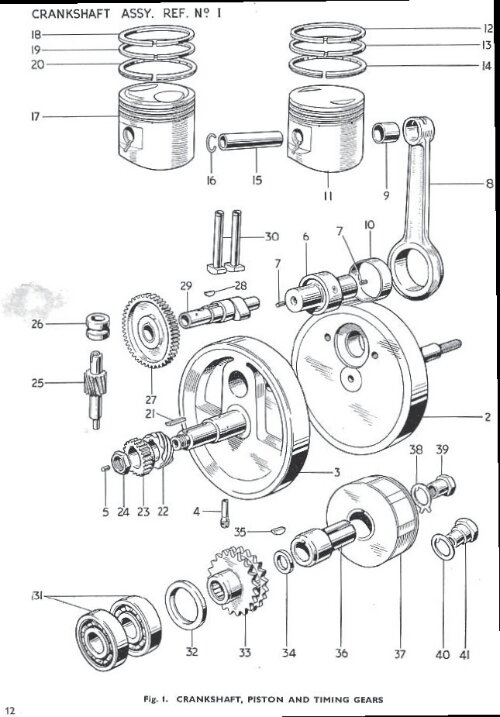
Of course the finely drafted exploded views from the essential parts manual help one find a way around the mechanics. Like a Greys Anatomy for the bike in question.
I hope I can scrounge up the parts to get this little ticker working again!




